Descripción
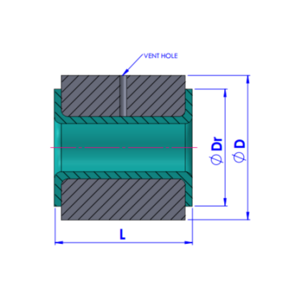
this Item is a machined steel bar and drilled like the inner diameter of a pipe and then PTFE-lined, The outer diameter fits between the flange screws and the inner diameter corresponds to the inside of a PTFE-lined pipe, It serves to close (correct) medium gaps (lenght) produced during installation assembly.
























Valoraciones
No hay valoraciones aún.